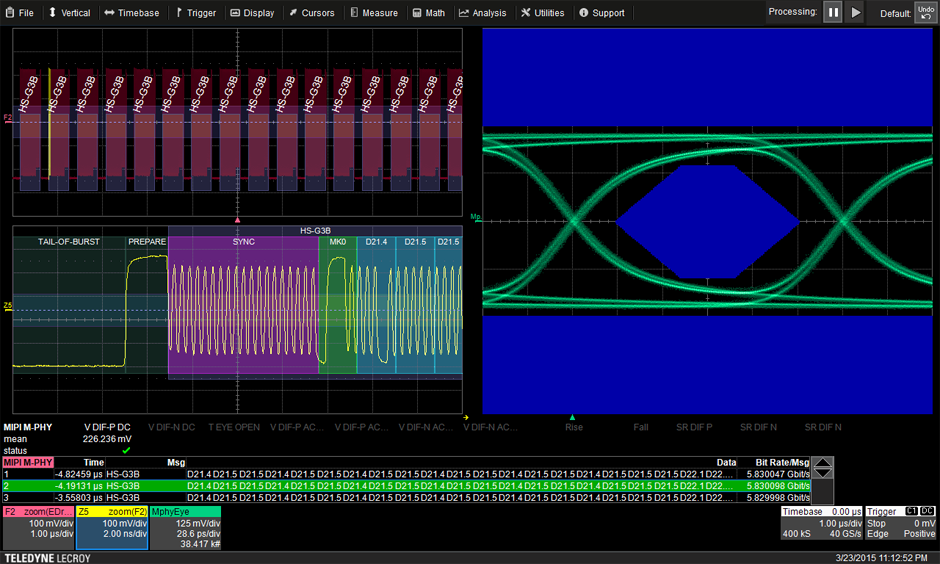
Combina el rendimiento, la fiabilidad de la señal y el conjunto de características para las medidas de alta velocidad necesitadas hoy en día con la facilidad de uso de un osciloscopio benchtop. Junto con los disparadores de datos de la más alta velocidad, el único completo solucionador de análisis de datos en serie de varios carriles y el diagrama de ojo y el más completo conjunto de paquetes de cumplimiento, el WaveMaster 8 Zi - B simplifica la más compleja prueba.
Modelos: WaveMaster 804Zi – B, WaveMaster 806Zi – B, WaveMaster 808Zi – B, WaveMaster 813Zi – B, WaveMaster 816Zi – B, WaveMaster 820Zi – B, WaveMaster 825Zi – B, WaveMaster 830Zi – B, SDA 804Zi – B, SDA - B 806Zi, SDA - B 808Zi, SDA - B 813Zi, SDA - B 816Zi, SDA - B 820Zi, SDA - B 825Zi, SDA 830Zi-B , DDA 808Zi-B, DDA 820Zi-B, DDA 830Zi-B
Características principales
- La interfaz de usuario del osciloscopio más avanzada.
- El único gatillo de serie con hardware de 14.1Gb/s real en la industria.
- Medición de baja fluctuación de suelo y una excepcional estabilidad en la base de tiempos.
- Un completo set para la serie de análisis de datos, depuración, validación y herramientas de cumplimiento.
- Entradas de 50 Ω y 1 MW para una verdadera conexión y la flexibilidad de sondeo.
- Mediciones estándar y personalizadas integradas, además de funciones matemáticas para el análisis de capacidad.
Especificaciones
- Ancho de banda de 4 GHz - 30 GHz
- Memoria: 32 - 512 Mpts MPTS Memoria Max 512 Mpts / Ch
- Max Samplig Rate: 80 GS / s
- Canales de entrada : 4
- Resolución: 8 bits
